按國家標準GB182422008(-20℃,90℃)
彈性體改性瀝青防水卷材的延伸性、耐熱性、柔韌性、抗裂性,特別是耐低溫性能好,因此是當今國內外公認的高檔防水卷材,在經濟發達國家早被廣泛采用。
TX-SBS彈性體改性瀝青防水卷材1、本產品使用于工業和民用建筑的屋面、地下室、衛生間等的防水防潮,以及橋梁、停車場、游泳池、隧道、蓄水池的非外露等建筑物的防水。本產品采用焰炬熱熔法施工。操作方便、安全、施工效率高,全年均可施工。
2、鋁箔面卷材有反光降溫耐老化效果。
3、本產品所用的SBS等改性瀝青彈性大,低溫柔性好,適應溫差及高負荷變形能力好,一般耐用年限為十五年。
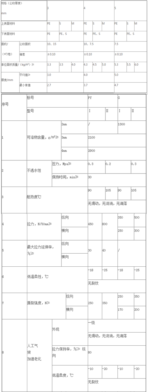
4.產品規格

